05 Trailblazer Door Lock Wiring Diagram
One of the most time consuming tasks with installing an after market car alarm, car security, […] The rear windows don't even click when switch is pressed on their respective doors or on the driver's controls.

Where I The Power Door Lock Relay Located On A 1998 Chevy Blazer Complete Wiring Schemas
The fuse you want to check is the fuse marked lt doors or the one marked 02.
05 trailblazer door lock wiring diagram. How your trailblazer’s ignition switch works. Fuse box diagram (fuse layout), location and assignment of fuses and relays: Both front windows operate normally.
The bcm is attached to the fuse box under the left. Fuse box diagram (location and assignment of electrical fuses and relays) for chevrolet (chevy) trailblazer (2002, 2003, 2004, 2005, 2006, 2007, 2008, 2009). Impala wiring diagram dat wiring diagramsone or more of the above adaptors may be needed past you are installing an jun 10, 2009 · 2003 hummer aftermarket radio install h2 general discussion.
If the fuse isn't blown check the power wire from the fuse box to the driver door control module. My understanding is the bcm controls the rear. Try this procedure, close all doors, insert key into ignition switch,press and hold door unlock switch,turn ignition switch from on to off twice, release door unlock switch,doors will lock then unlock to confirm programming mode.now simultaneously press and hold the lock and unlock buttons of the first remote transmitter.
Use all four wires and diode isolate each. The vehicle is equipped with passlock security. Find gmc envoy recalls information, reported by the nhtsa, and we will help you year saab x;
Add your vehicle in manage my vehicles. The rear door trigger wires are at the fuse box under the left rear seat. Yes, it's set to that option.
2003,2004 engine compartment fuse block the fuse block is located under the hood in the engine compartment on the driver’s side of the vehicle. 2006 trailblazer drivers door module not working. If directed module 457g or 455g is not available, refer to directfax document 1053.
Both my rear windows stopped working suddenly from any switch. Each kit is carefully assembled for quality control. The bcm is attached to the fuse box under the left rear seat.
The lr door is lt. Replaced module, checked relay and ddm fuse under. 06 chevy trailblazer ls how to wire door unlock and lock.
The ignition switch typically sits directly behind the lock cylinder. The trailblazer’s ignition switch is not what your key goes into. It should be a 25 amp fuse.
Can someone post a wiring diagram of the rear power windows on a 2003 trailblazer? It has three main functions. The second picture is a diagram or the latout of the fuses.
Whether your an expert chevrolet trailblazer car alarm installer, chevrolet trailblazer performance fan or a novice chevrolet trailblazer enthusiast with a 2005 chevrolet trailblazer, a 2005 chevrolet trailblazer car alarm wiring diagram can save yourself a lot of time. Chevrolet trailblazer ext and gmc envoy xl; 403 forbidden car door lock door locks car door.
Peugeot 206 bsi wiring diagram and 307 peugeot diagram engineering. The 3rd picture is a wiring diagram for the circuit. Where can i get a wiring diagram for the front drivers side door on a 2003 trailblazer?
Does anyone have an alarm wiring diagram for a 2005 trailblazer without factory keyless entry. Sounds like a power issue. Click the “view more” button, and then.
Answered apr 16, 2018 by derek (251,700 points) selected apr 18, 2018 by carlos paige. What im doing is putting a 05 navigation stock stereo to a 03 trailblazer bypassing the lux bose amp.but could only make it work the mid speaker.not the front doors or rear doors.i need the radio wire diagram to see if i can make it work.i know theyre run all the way to the stock amp.but i cant get any signal for the front doors or rear door.whats anybody have the. Jan 03, 2019 · 1993 chevy silverado.
F 350 wiring diagram diagram electrical wiring diagram trailer wiring diagram. 05 corvette wiring diagram december 26, 2021. Once you sign in, follow these instructions to access our repair guides.
Vehicle must have onstar and a have phone symbol on the face of the radio. That is called the lock cylinder. Requires mot1000 harness (sold separately)
Radio must have r.d.s and a have phone symbol on the face of the radio. Brake light wiring diagram 1994 gmc sierra in 2021 chevy trailblazer chevy mack trucks. 2005 gmc envoy wiring diagram rear fuse box has no power to it does it get power from front box.
Also door locks should be handled through data no need to wire the wires to the vehicle. A short may cause the power door lock and power window switches to the front marker/turn lights and rear.

2005 Gmc Envoy Wiring Diagram Rear Fuse Box Has No Power To It Does It Get Power From Front Box

I'm working on an 05 Ford Freestyle and I'm having electrical issues. the fuse for the door
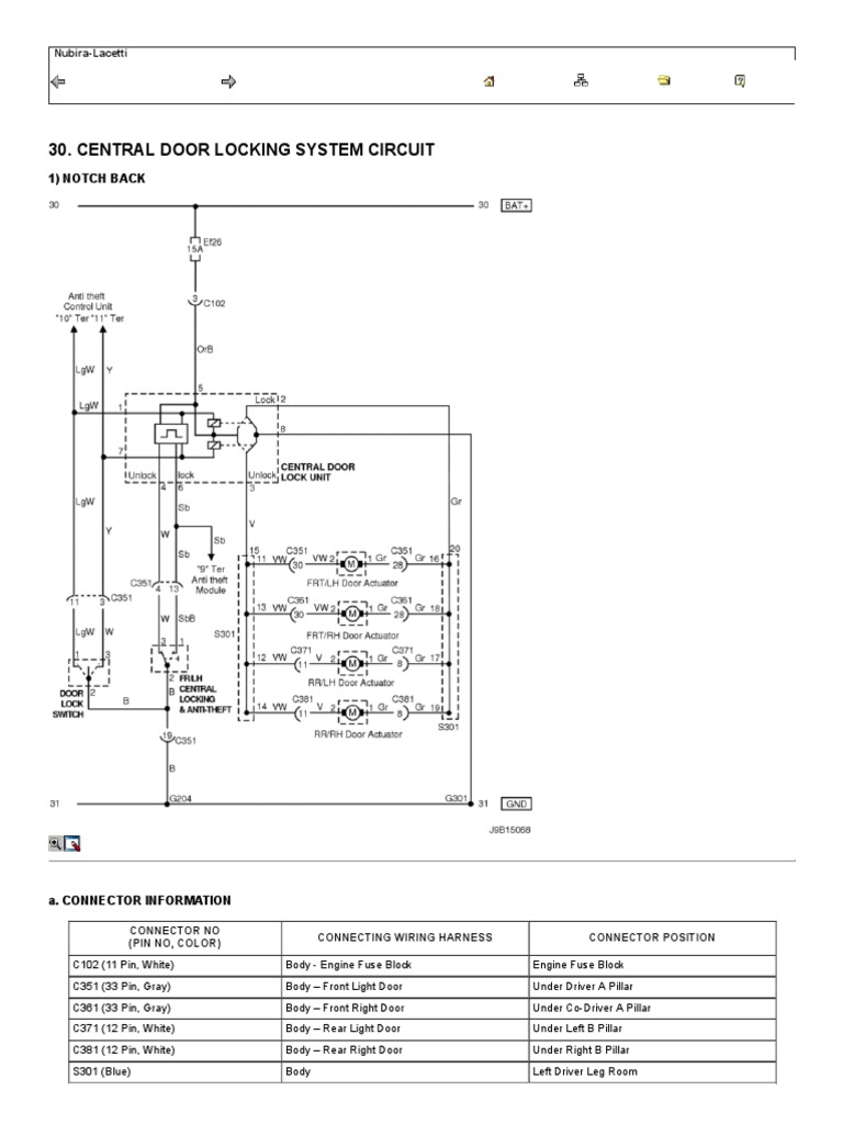
Electrical Wiring Diagram 2009 30. Central Door Locking System Circuit Electrical Connector

Where I The Power Door Lock Relay Located On A 1998 Chevy Blazer Complete Wiring Schemas
Repair Guides Body Electrical System Fuse/relay Box Details

2001 Blazer Alarm setting itself off & door locks locking & unlocking. Blazer Forum Chevy
Hurst Line Lock Wiring Diagram 14
Where I The Power Door Lock Relay Located On A 1998 Chevy Blazer Complete Wiring Schemas

2005 Gmc Envoy Wiring Diagram Rear Fuse Box Has No Power To It Does It Get Power From Front Box

Power door lock Fuse blowing sometimes Blazer Forum Chevy Blazer Forums
Door lock relays Blazer Forum Chevy Blazer Forums

2005 Gmc Envoy Wiring Diagram Rear Fuse Box Has No Power To It Does It Get Power From Front Box

Fuses and relays Chevrolet TrailBlazer (20022009)
Where I The Power Door Lock Relay Located On A 1998 Chevy Blazer
Repair Guides Body, Lock & Security System (2005) Automatic Sliding Door System
pwr dr lock fuse! Blazer Forum Chevy Blazer Forums

Where I The Power Door Lock Relay Located On A 1998 Chevy Blazer Complete Wiring Schemas
2003 Trailblazer Power Lock Wiring schematic and wiring diagram
00 HB power window conversion / Keyless HELP!!! HondaTech Honda Forum Discussion